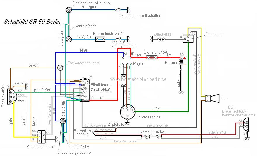
Schaltbild IWL - SR 59 Berlin

in Schwarz/Weiß und Farbe

Schaltbild SR 59 Berlin
Schaltbild SR 59 Berlin
zurück zur LiMa

Copyright © www.iwl-stadtroller-berlin.de

Stand: Mai 2009